IRD QB55 - Square Taper Bottom Bracket

Regular Price
$40.00
Sale Price
$40.00
Regular Price
Out of Stock
Unit Price
per

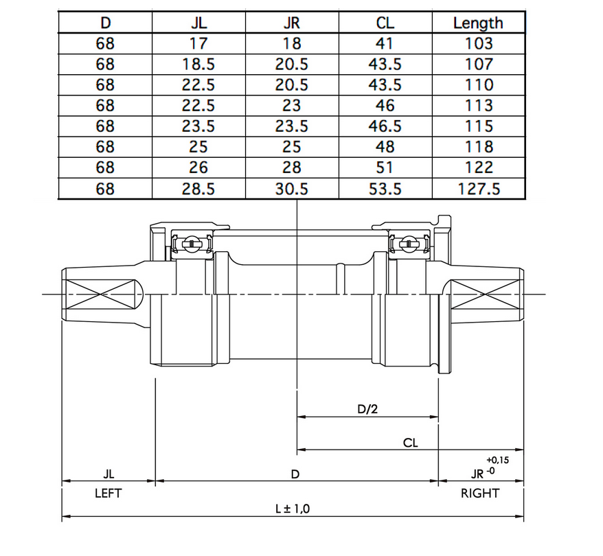
Size | 110mm x 68mm

Secure online shopping
American Express Apple Pay Diners Club Discover Mastercard PayPal Shop Pay Visa
Only 2 left!

Interloc Racing Design QB-55 bb

 

These are the best deal out there, considering price and quality. Made in Japan by Tange, for IRD. Shimano bottom brackets cost less and are fine, but these seem better. The finish, the materials...and we trust Tange of Japan.

If you're using a Silver crank with a "MTN" front derailler, get a 113. If you're using a road front derailler: 110mm. If you're squeezing a big tire onto a Clem and want a little more chain clearance in the low gears, get a 118; It'll work perfectly.

If you have a GUS or SUSIE hillibike with a tire up to 2.5-inches, you'll need a 123 with the right-cup spacer. Wider than that, get the 127. Be prepared to struggle finding a front derailer that'll shift out that far. The derailer-makers are going to doubles.

for 68mm shells. JIS taper, BSA threading.